If you want to shop a specific Battery Electrical Wiring product brand we stock 1 different brands like Gates. 11 X 17 - 1795 USD 18 X 24 - 2995 USD.

Flathead Electrical Wiring Diagrams
Lenses light parts.

1947 studebaker truck starter wiring. This is the bendix side. This Studebaker runs and drives great starting right up every time. Studebaker wig wag globe lens.
Here is a great Studebaker project truck. After the Graveyard Shift - 1947 Studebaker M16. This detailed restoration includes all new wiring new brakes new shocks and new steering gear.
1947 Studebaker M5 Battery Electrical Wiring products start for as little as 2269. This Studebaker features a 6 12 sectioned body 2-inch channel over the frame tilt nose clip 1967 Impala suspension custom instrument panel Stewart Warner Gauges IDIDIT tilt column Lokar shifter Kia seats painless wiring and LED braketaillights. 1958 Studebaker Hawk Color Wiring Diagram.
STUDEBAKER WIRING DIAGRAMS ALSO DASH BOARDS PICTURES. GR Auto Gallery is pleased to present this 1947 Studebaker Transtar Restomod for your consideration. 1941-1948 All Trucks Tank Unit Wiring.
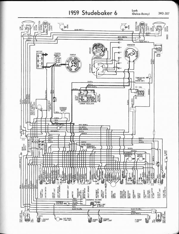
After supplying nearly 200000 trucks to the Allied effort during World War II Studebaker was eager to take on Americas postwar demand for haulers. Its a very desirable M5 12 Ton truck with the shortbed that has lived its life in the dry Utah desert. 1959 Studebaker Lark Color Wiring Diagram.
Door panels glove boxes sun visors Olsons. The gauge currently sits at full all of the time. Designed in compliance with rigorous factory standards High level of quality ultimate reliability and solid value.
Studebaker Champion 1947 Starter Drive by WVE. 1937 1 12 Ton Standard Truck and Bus. Six volt bendix side view the bendix on the left fits 1947-1955 all cars 6 cylinder and v-8 also m-16-17 trucks and 2r-except 510 and 15 this is my number sdr017 studebaker number 521888 531829.
Finally getting started on the 47 Studebaker M16 project. Replace your worn-out or faulty. Ill be swapping the cab and front clip onto my 1995 Dodge Cummins chassis and making it into a ram.
This Studebaker runs and drives great starting right up every time. Kanter Auto Products Vintage pickup truck parts 1930-1986. 1957 Studebaker Hawk Golden Hawk Color Wiring Diagram.
Stephen Allens LLC carries Studebaker wiring harnesses for your cxar or truck. I replaced the sending unit and verified that the wires are not broken from the sending unit to the gauge. Powering this Studebaker 350ci V8 paired to a smooth-shifting 350 turbo automatic transmission.
1949-64 Studebaker Truck Handle Don3487. 1949 Land Cruiser Dash. Complete basic car included engine bay interior and exterior lights under dash harness starter and ignition circuits instrumentation etc Original factory wire colors including tracers when applicable.
Loga Enterprises Studebaker interior parts. 38 rows WITH OVERDRIVE TURN SIGNALS. 1937 Gearshift boot Dictator each.
Hello I need help hooking up a gas gauge on my 1947 M5 pickup. 1946-1980 Mopar 8pk 516-18 Body Fender U-Nuts Hex Head Bolts w Washers Set Fits. 1947 Champion Commander Color code.
1936 Commander and President. With over 2 Battery Electrical Wiring products ranging in price from 2269 to 3159 youre sure to find everything you need for your 1947 Studebaker M5. 1936 E-brake cars 1936-40 shifter trucks each.
1947-51 Studebaker OEM Inside Door Handle 631 1947-51 Studebaker Handle. This Transtar comes in a custom two-tone Blue and Silver metallic paint job complemented by a matching custom interior. 1948 Studebaker Wiring Diagram wiring diagram for 1947 1948 1949 studebaker champion and commander circuit and wiring diagram download for automotive car motorcycle truck audio radio electronic devices home and house appliances published on 23 mar 2014.
This Studebaker features a 6 12 sectioned body 2-inch channel over the frame tilt nose clip 1967 Impala suspension custom instrument panel Stewart Warner Gauges IDIDIT tilt column Lokar shifter Kia seats painless wiring and LED braketaillights. 1931-36 fender light gasket. Introduced on April 30 1946 at the posh Waldorf Astoria Hotel on Park Avenue in New York the 1947 Studebaker was indeed the first new postwar car from a major US.
1956 To 1960 Studebaker Starter Brush Set Ampco EX-17 1956 Brush Set BO1013. 1947 Studebaker M5 1265. The sale will include a number of books guides and manuals for this 1947 Studebaker M5 half-ton 2-door pickup.
1947 1948 1949 Champion and Commander. Engine parts brake parts Lark Works Studebaker wiring harness battery cables ignition cables. 25 Studebaker wig wag parking lens.
This Studebaker features a 6 12 sectioned. So yes the companys tagline First by far. Note the distributor has to be removed to replace the starter.
The current owner has traced the history of this truck back to 1975 and has titles and registration to the current day. Very straight and just about rust free other than the surface rust. The starter pictured is from an automatic transmission car.
1937 President gearshift boot. Fuel Gauge Hook-Up for 1947 M5. Stephen Allens LLC has a HUGE inventory of Studebaker headlight switches instrument light switches wiper switches more.
To car-hungry American motorists the radically styled 1947 Studebaker must have looked like the future on four wheels. Main chassis overdrive taillight anti-creep more. Speedo Tach Gauges.
South Bends medium-duty 112-ton M16 helped lead the civilian charge--ruggedly built out of a mix of proven Studebaker and aftermarket components. I have a replacement gauge as pictured below. 1947 Studebaker M5 Additional Info.
1947 truck labelled light switchpng 23451 KB 157 downloads Tim.

1949 Studebaker 2r5 C2 Pickup For Sale On Bat Auctions Closed On September 14 2021 Lot 55 219 Bring A Trailer

Studebaker Car Pdf Manual Wiring Diagram Fault Codes Dtc

Starter Relay Wiring Studebaker Drivers Club Forum

Studebaker Wiring Diagrams The Old Car Manual Project
/stories/2018/08/526591.jpg)
After The Graveyard Shift 1947 Studebaker M16 Hemmings

Studebaker Wiring Diagram Fully Laminated Poster Kwik Wire Electrify Your Ride

Studebaker Starter Help Studebakerparts Com

Studebaker Car Pdf Manual Wiring Diagram Fault Codes Dtc

Car Truck Starter Parts For Studebaker For Sale Ebay

Studebaker Wiring Diagrams The Old Car Manual Project

Starter Brushes For Dodge Truck Kaiser Frazer Packard Plymouth Studebaker Ebay

Studebaker Wiring Diagrams The Old Car Manual Project

1942 1950 Studebaker 12 Volt Powermaster Conversion Kit 6 Cylinder Engines

Studebaker Wiring Diagrams The Old Car Manual Project

Studebaker Car Pdf Manual Wiring Diagram Fault Codes Dtc

Starter Relay Wiring Studebaker Drivers Club Forum

1947 1948 1949 1950 Studebaker Color Wiring Diagram Classiccarwiring

1941 1946 1947 1948 Studebaker Truck Color Wiring Diagram Classiccarwiring

Studebaker Car Pdf Manual Wiring Diagram Fault Codes Dtc